RM-200M là Micro chọn vùng từ xa, dùng để thông báo theo từng vùng hoặc toàn bộ hệ thống khi cần thiết. Khi sử dụng RM-200M trong hệ thống FV-200 chúng ta cần phải lưu ý một số đặc điểm như sau
Đặc điểm RM-200M trong hệ thống FV-200
Trong hệ thống FV-200, RM-200M có vai trò là Micro thông báo từ xa, và có đặc điểm
Hỗ trợ tối đa 04 bộ RM-200M + có thể mở rộng thêm 04 bộ RM-210 trên 01 bộ RM-200M để tạo thành bàn phím 50 vùng loa
RM-200M sẽ kết nối trực tiếp với FV-200RF-AS thông qua cáp CAT 5 STP - nối thẳng.
Chiều dài cáp nối RM-200M tối đa 800m (Tổng cáp cho cả 04 bộ RM-200M): Tuy nhiên nếu dùng cáp mạng LAN thông thường chỉ dùng khoảng 150-200m. Muốn nối tới 800m vui lòng liên hệ bộ phận kỹ thuật để hướng dẫn.
Với khoảng cách gần thì RM-200M không cần nguồn. Tuy nhiên nếu chiều dài cáp >150m nên sử dụng thêm bộ nguồn AD-246
Mỗi bộ RM-200M sẽ có 01 ID riêng để cài đặt chế độ ưu tiên sau này.
Chức năng chính: Gọi thông báo tới từng khu vực (tối đa 50 khu vực) và 1 nút All zones (gọi toàn vùng)
Phương thức gọi: Chọn vùng --> Ấn nút Talks và nói vào Micro. Nút Talk có 2 chức năng: Ấn và giữ để nói, nhả sẽ ngắt hoặc Ấn để nói không cần giữ phím và ấn lại để tắt (tuy nhiên, thời gian tối đa 1 lần nói là 5 phút - không thể thay đổi được)
Ứng dụng RM-200M: Micro RM-200M có thể đặt tại tủ máy, phòng CCTV, phòng lễ tân, phòng bảo vệ... và thứ tự ưu tiên này sẽ được thiết lập trên FV-200RF-AS
Cài đạt ID và chức năng cho RM-200M
Trước khi lắp RM-210 (nếu có), vùi lòng cài đặt switch theo chức năng bên dưới sẽ dễ dàng hơn
Mặc định từ xuất xưởng, tất cả các Switch đều ở chế độ ON và ID của RM-200M tương ứng =1

Cài ID cho RM-200M: Switch số 1-2 dùng để cài đặt ID của RM-200M: Số thự tự RM-200M và ID như bảng bên dưới
| ID | Switch 1 | Switch 2 |
| 1 | ON | ON |
| 2 | OFF | ON |
| 3 | ON | OFF |
| 4 | OFF | OFF |
Note: Với các hệ VM-2240, VM-3360VA, VM-3240VA cũng chỉ hỗ trợ tối đa 04 bộ RM-200M nên cách cài đặt cũng tương tự
Hiện tất cả sản phẩm đều được bán và phân phối chính hãng tại website https://toavietnam.net để tránh phải mua hàng giả, vui lòng liên hệ số hotline: 0944750037 để được tư vấn
Thay đổi chức năng phím Talk trên RM-200M:
| ID | Chế độ | Chức năng |
| 4 | ON | Ấn phím Talk và giữ để nói, Nhả phím Talk để tắt |
| OFF | Ấn và nhả tay: Phím Talk dc kích hoạt Ấn lại và nhả tay: Phím Talk được tắt |
Switch 6: Chế độ nén âm cho phép âm thanh ra ko bị méo ngay cả khi nói quá lớn
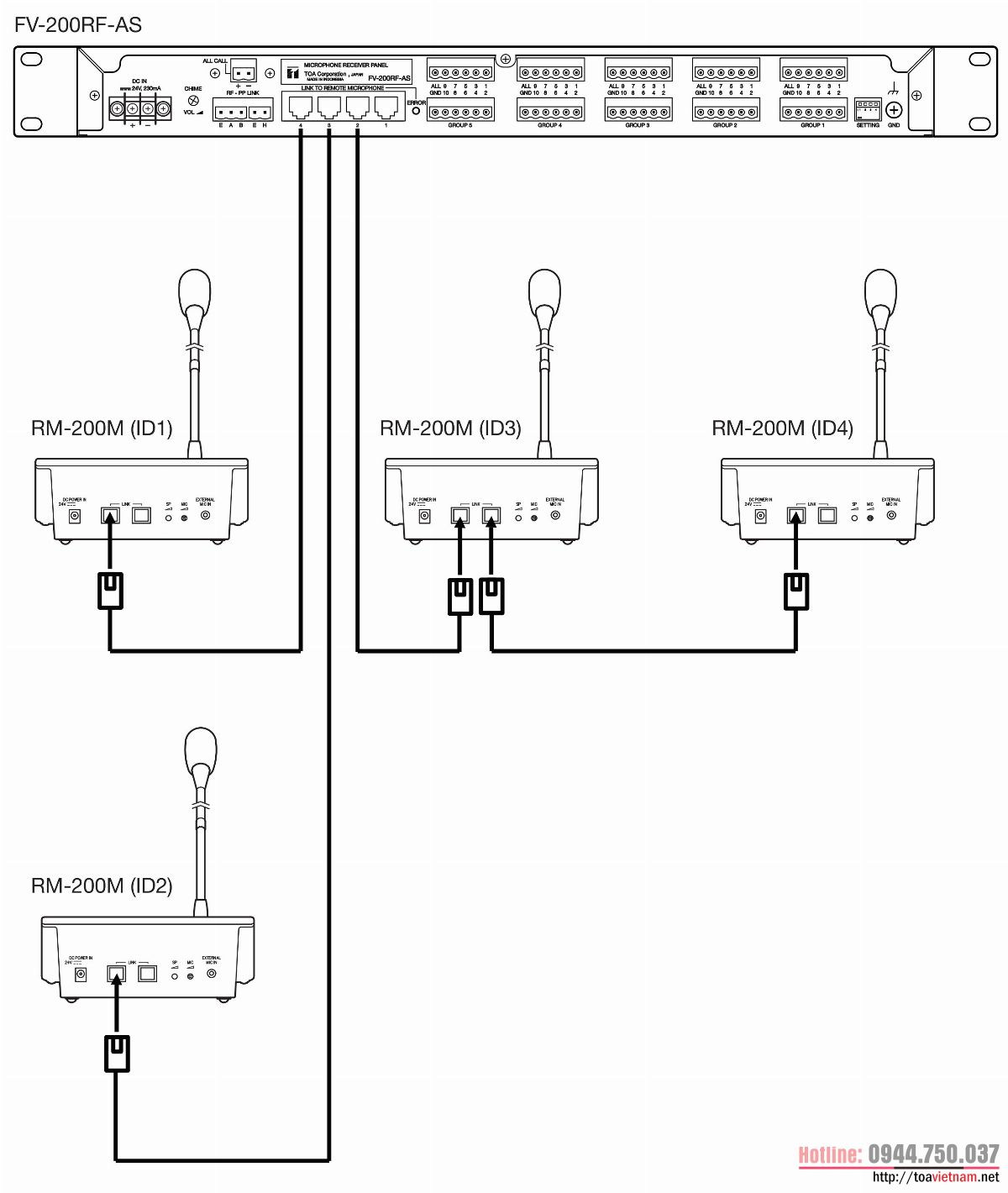
Kết nối RM-200M với FV-200RF
Khi nối RM-200M đảm bảo các nguyên tắc cơ bản sau:
Tối đa 04 bộ RM-200M và ID đã được cài đặt nếu dùng trên 02 bộ
Vị trí cổng cắm trên FV-200RF-AS không quan trọng.
Đáp ứng chiều dài cáp tổng giữa các cáp nối nhỏ hơn 800m và nếu cắm mà ấn không nói được, vui lòng trang bị thêm nguồn.

Khai báo số Micro và thứ tự ưu tiên của Micro, có thể điều chỉnh bằng Switch trên mặt sau bộ FV-200RF-AS


(Khai báo thư tự ưu tiên của Micro)

(Khai số bộ Micro)
Kết nối trực tiếp hoặc nối nối tiếp giữa các bộ RM-200M đều được

Nếu mọi cài đặt bình thường thì ấn phím 1 trên RM-200M và ấn nút gọi, đèn sẽ sáng + vị trí số 1 trê bộ SS-1010R hoặc SS-2010 sẽ bật sáng và nếu đủ hệ thống, âm thanh sẽ ra...
Trên chỉ là một số kiến thức cơ bản, để biết thêm chi tiết, vui lòng kiên hệ số hotline để được hướng dẫn chi tiết.


ÂM THANH THÔNG BÁO
AMPLY - TĂNG ÂM
MIC - MICROPHONE
LOA - MEGAPHONE
THIẾT BỊ HỘI THẢO
PRO-SOUND
THIẾT BỊ ĐẦU VÀO


